JHBVL Series Singer circuit hydraulic brake value

6 JHBVL - 副本.png



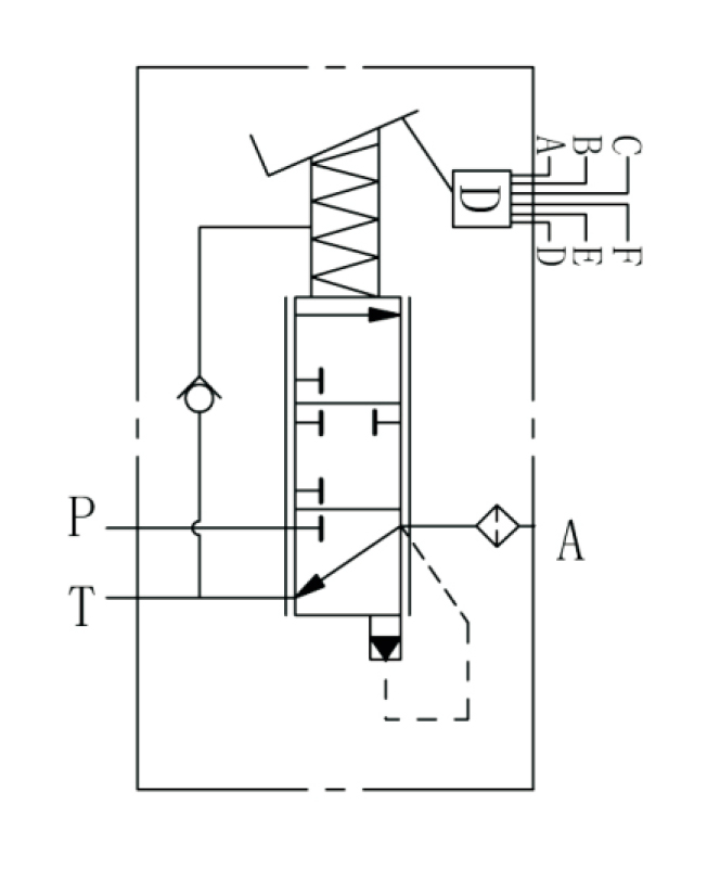
The JHBVL Series single-circuit hydraulic brake valve employs a direct- acting three-way pressure-reducing valve principle. Brake pressure is proportional to the stroke or angular displacement of the operating control element, while operating force is directly proportional to the actuator's stroke. The foot valve features an ergonomically designed angle for effortless operation; all foot pedals incorporate built-in anti-slip functionality.


Technical Parameters


精致机械样品册3定修改英文版-8_06.jpg


Hydraulic Schematic Diagram


一,液压制动系列(添加到16页)-9_10 - 副本.jpg


Installation Schematic Diagram


精致机械样品册3定修改英文版-8_03.jpg